産業用機器向け過電流検出用途に適した高速応答・入出力フルレンジ対応CMOS型デュアルコンパレーターの発売について

2025年12月24日

東芝デバイス&ストレージ株式会社

これは、産業用機器向け過電流検出用途に適した高速応答・入出力フルレンジ対応CMOS型デュアルコンパレーターの発売についての画像です。

当社は、産業用機器[注1]の過電流検出用途に適した、高速応答・入出力フルレンジ (Rail to Rail) 対応のCMOS型デュアルコンパレーター「TC75W71FU」を製品化し、本日から出荷を開始します。

産業用機器では、モーター駆動や電源回路などで大電流が扱われるため、突発的な過電流が発生するリスクがあります。過電流は機器の損傷や生産ラインの停止、さらには安全性の低下につながるため、迅速な検出と保護が不可欠です。近年は高効率化や小型化が進み、回路が扱える電流や電圧の範囲が従来より狭くなっています。その結果、わずかな過電流でも回路に大きな負荷がかかるため、より高速かつ高精度な過電流検出技術が求められています。

新製品は、従来製品TC75W56FUと比較して伝搬遅延時間を短縮しており、Low to Highが最大45ns、High to Lowが最大30ns[注2]です。これにより、産業用機器で電流異常が発生した際に即座に動作を停止でき、安全性の向上に貢献します。

さらに、入出力許容電圧はフルレンジに対応しており、電源電圧の最小値 (GND) から最大値 (Vcc) までの範囲で動作可能なため、設計が容易です。最小動作電源電圧は1.8Vで、低電圧駆動にも対応しています。加えて、プッシュプル出力[注3]であるため、信号の立ち上がり・立ち下がりが速く、外付けプルアップ抵抗が不要で、安定した電圧レベルを維持できます。

また、ヒステリシス特性を追加しノイズ耐性を高めた製品「TC75W72FU」、およびヒステリシス特性付きでコンパレーターに供給する電源とは異なる電圧帯へ信号出力が可能なオープンドレイン出力[注4]製品「TC75W73FU」[注5]も、2026年2月より量産開始予定です。

当社は今後も、産業用機器の安全性・信頼性向上に貢献するコンパレーターの開発に取り組み、幅広いニーズに応える製品ラインアップの拡充を進めていきます。

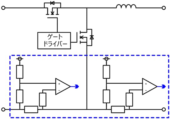
図1. 過電流検出用途 回路例
図1. 過電流検出用途 回路例

[注1] 産業用ロボット、発電機、UPS (無停電電源装置)、変圧器など
[注2] 従来製品TC75W56FUの伝搬遅延時間: VDD=3Vの測定条件でLow to Highが標準550ns、High to Lowが標準250ns
[注3] プッシュプル出力: 出力回路に上下2つのトランジスターを備え、HighレベルとLowレベルの両方を能動的に駆動する方式
[注4] オープンドレイン出力: 出力回路に下側のトランジスターのみを備え、Lowレベルを能動的に駆動する方式
[注5] 伝搬遅延時間はVDD=3.3Vの測定条件で30ns (High to Low) のみ

応用機器

  • 産業用機器 (産業用ロボット、UPS (無停電電源装置) 、太陽光発電、電源など)
  • 民生用機器 (家庭用電気製品、電源など)

新製品の主な特長

  • 入出力フルレンジ
  • 低電圧駆動: 1.8V
  • 高速応答: tPLH 45ns (max)、tPHL 30ns (max) (VDD=3.3V)

新製品の主な仕様

品番 TC75W71FU TC75W72FU[注6] TC75W73FU[注6]
パッケージ名称
(パッケージコード)
SOT-505
(SM8)
動作範囲 電源電圧 VDD (V)
T opr=-40~125°C
1.8~5.5
電気的特性 電源電流 IDD (μA)
VDD=1.8V、VOUT=High、VIN=VSS、 Ta=25°C
Typ. 276
入力オフセット電圧 VIO (mV)
VDD=1.8V、VSS<VIN<VDD、Ta=25°C
Max 17
入力ヒステリシス電圧 VHYST (mV)
VIN=VSS、VDD=1.8V、Ta=25°C
Typ. - 3.5
Low to High 伝搬遅延時間 tPLH (ns)
VDD=3.3V、Ta=25°C
Typ. 23 -
Max 45 -
High to Low 伝搬遅延時間 tPHL (ns)
VDD=3.3V、Ta=25°C
Typ. 14 11
Max 30 30
出力端子 プッシュプル オープンドレイン
入出力許容電圧 入出力フルレンジ
在庫検索&Web少量購入 Buy Online - -

[注6] 2026年2月量産開始予定

新製品の詳細については下記ページをご覧ください。
TC75W71FU

当社のオペアンプ・コンパレーターの関連コンテンツについては下記をご覧ください。
オペアンプ・コンパレーターの基礎 (PDF: 1,3MB)

オンラインディストリビューターが保有する当社製品の在庫照会および購入は下記をご覧ください。
TC75W71FU
Buy Online

お客様からの製品に関するお問い合わせ先

  アナログデバイス営業推進部

  Tel: 044-548-2219

* 社名・商品名・サービス名などは、それぞれ各社が商標として使用している場合があります。
* 本資料に掲載されている情報 (製品の価格/仕様、サービスの内容及びお問い合わせ先など) は、発表日現在の情報です。予告なしに変更されることがありますので、あらかじめご了承ください。