※ : Products list (parametric search)
※ : Products list (parametric search)
※ : Products list (parametric search)
※ : Products list (parametric search)
※ : Products list (parametric search)
※ : Products list (parametric search)
※ : Products list (parametric search)
※ : Products list (parametric search)
Design & Development
Innovation Centre
At the Toshiba Innovation Centre we constantly strive to inspire you with our technologies and solutions. Discover how to place us at the heart of your innovations.
Knowledge
Highlighted Topics
Further Materials
Other
This webpage doesn't work with Internet Explorer. Please use the latest version of Google Chrome, Microsoft Edge, Mozilla Firefox or Safari.
require 3 characters or more. Search for multiple part numbers fromhere.
The information presented in this cross reference is based on TOSHIBA's selection criteria and should be treated as a suggestion only. Please carefully review the latest versions of all relevant information on the TOSHIBA products, including without limitation data sheets and validate all operating parameters of the TOSHIBA products to ensure that the suggested TOSHIBA products are truly compatible with your design and application.Please note that this cross reference is based on TOSHIBA's estimate of compatibility with other manufacturers' products, based on other manufacturers' published data, at the time the data was collected.TOSHIBA is not responsible for any incorrect or incomplete information. Information is subject to change at any time without notice.
require 3 characters or more.
In developing your designs, please ensure the datasheet.
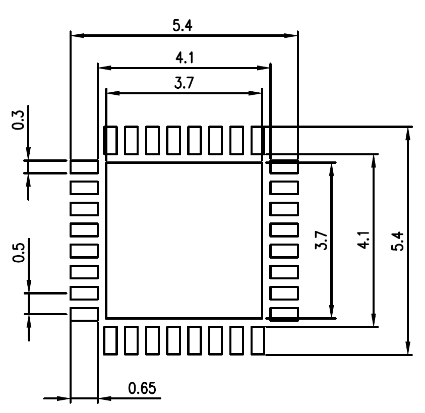
| Mounting | Surface Mount | |
|---|---|---|
| Pins | 32 | |
| Package Dimensions (mm) |
|
|
| Land pattern dimensions for reference only (mm) |
|
|
| Package | P-VQFN32-0505-0.50-009 | |
| Land pattern | P-VQFN32-0505-0.50-009_LP | |
| Thermal resistance (℃/W) | - | |
| Packing Method | - | |
| Semiconductor Package Mount Manual |
MountingGuide | |