※ : Products list (parametric search)
※ : Products list (parametric search)
※ : Products list (parametric search)
※ : Products list (parametric search)
※ : Products list (parametric search)
※ : Products list (parametric search)
※ : Products list (parametric search)
※ : Products list (parametric search)
Design & Development
Innovation Centre
At the Toshiba Innovation Centre we constantly strive to inspire you with our technologies and solutions. Discover how to place us at the heart of your innovations.
Knowledge
Highlighted Topics
Further Materials
Other
This webpage doesn't work with Internet Explorer. Please use the latest version of Google Chrome, Microsoft Edge, Mozilla Firefox or Safari.
require 3 characters or more. Search for multiple part numbers fromhere.
The information presented in this cross reference is based on TOSHIBA's selection criteria and should be treated as a suggestion only. Please carefully review the latest versions of all relevant information on the TOSHIBA products, including without limitation data sheets and validate all operating parameters of the TOSHIBA products to ensure that the suggested TOSHIBA products are truly compatible with your design and application.Please note that this cross reference is based on TOSHIBA's estimate of compatibility with other manufacturers' products, based on other manufacturers' published data, at the time the data was collected.TOSHIBA is not responsible for any incorrect or incomplete information. Information is subject to change at any time without notice.
require 3 characters or more.
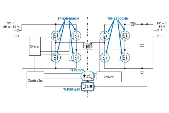
This reference design provides design guide, data and other contents of 1 kW server power supply using phase shifetd full-bridge DC-DC converter.
Click on components for more details
| Input voltage | DC -36 to -60 V |
|---|---|
| Output voltage | DC 54 V |
| Output power | 1 kW |
| Circuit topology | Phase-Shifetd Full-Bridge + Synchronous Rectification |
Materials for designers, such as an overview of circuit operation and explanations of design considerations. Please click on each tab to view the contents.
Provides circuit data that can be loaded into EDA tools, PCB layout data, and data used in PCB manufacturing. Available in formats from multiple tool vendors. You can freely edit it with your preferred tool.
| Part Number | Device Category | Application Area – Qty | Description |
|---|---|---|---|
| Power MOSFET (N-ch single 60V<VDSS≤150V) | Primary-side・4 | N-ch MOSFET, 80 V, 0.00243 Ω@10V, SOP Advance, U-MOSⅩ-H | |
| Power MOSFET (N-ch single 60V<VDSS≤150V) | Secondary-side・8 | N-ch MOSFET, 150 V, 0.0154 Ω@10V, SOP Advance, U-MOSⅧ-H | |
| Photocoupler (photo-IC output) | Communication between primary-side and secondary-side ・2 | Photocoupler (photo-IC output), High-speed, 20 Mbps, 3750 Vrms, 5pin SO6 | |
| Photocoupler (phototransistor output) | Output voltage feedback・1 | Photocoupler (phototransistor output), DC input, 3750 Vrms, SO4 |
We provide materials useful for designing and considering similar circuits, such as application notes for installed products. Please click on each tab to view the contents.