※ : Products list (parametric search)
※ : Products list (parametric search)
※ : Products list (parametric search)
※ : Products list (parametric search)
※ : Products list (parametric search)
※ : Products list (parametric search)
※ : Products list (parametric search)
※ : Products list (parametric search)
Design & Development
Innovation Centre
At the Toshiba Innovation Centre we constantly strive to inspire you with our technologies and solutions. Discover how to place us at the heart of your innovations.
Knowledge
Highlighted Topics
Further Materials
Other
This webpage doesn't work with Internet Explorer. Please use the latest version of Google Chrome, Microsoft Edge, Mozilla Firefox or Safari.
require 3 characters or more. Search for multiple part numbers fromhere.
The information presented in this cross reference is based on TOSHIBA's selection criteria and should be treated as a suggestion only. Please carefully review the latest versions of all relevant information on the TOSHIBA products, including without limitation data sheets and validate all operating parameters of the TOSHIBA products to ensure that the suggested TOSHIBA products are truly compatible with your design and application.Please note that this cross reference is based on TOSHIBA's estimate of compatibility with other manufacturers' products, based on other manufacturers' published data, at the time the data was collected.TOSHIBA is not responsible for any incorrect or incomplete information. Information is subject to change at any time without notice.
require 3 characters or more.
Voltage conversion from step-down (3.3V → 0.8V) to step-up (0.8V → 3.3V) can be achieved using a level shifter (dual-supply type) capable of operating from 0.8V.
The following is a brief example.
For detailed selection methods, please use the following application notes.
→Tips for Selecting Level Shifters(Voltage Translation ICs) (PDF:2.62MB)
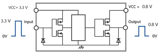
Step-down voltage conversion:
3.3V → 0.8V and other high-to-low voltage conversions can be achieved on the input side using input tolerance functionality. To meet the operating voltage requirement of 0.8V output on the low-voltage side, devices capable of operating at 0.8V must be used. Using a device that outputs more than 0.8V on the low-voltage side could potentially damage the 0.8V device. Toshiba recommends using level shifters (dual-supply type) guaranteed to operate from 0.8V. (Fig.1, Table-1)
| Product Name | Operating Voltage Range | Number of bit | Direction |
|---|---|---|---|
| 74AVC1T45 | 0.8V to 3.6V | 1 | Bidirectional |
| 74AVCH1T45 | 0.8V to 3.6V | 1 | Bidirectional |
| 74AVC2T45 | 0.8V to 3.6V | 2 | Bidirectional |
| 74AVCH2T45 | 0.8V to 3.6V | 2 | Bidirectional |
| 74AVC4T245 | 0.7V to 3.6V | 4 | Bidirectional |
| 74AVCH4T245 | 0.7V to 3.6V | 4 | Bidirectional |
| 74AVC4T345 | 0.7V to 3.6V | 4 | Bidirectional |
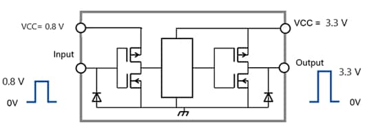
Step-up voltage translation:
For voltage conversion from low voltages such as 0.8V to high voltages like 3.3V, the CMOS output of the preceding IC drives the CMOS input of the subsequent stage. Therefore, the high-level output voltage VOH ≈ the power supply voltage VCC. Voltage conversion is possible if the preceding stage's VOH satisfies the high-level input voltage VIH specification of the subsequent stage IC. Toshiba recommends using a level shifter (dual-supply type) as a product that satisfies the 0.8V VOH requirement. (Fig.2、Table.1)
The following documents also contain related information.