Application Circuit of TPD4207F for Small Compressor Motor Drive

This reference design provides an example circuit of small compressor motor drive with combination of TPD4207F and TMPM4K0FSADUG, and design guide of peripheral circuit.

Application block diagram of application circuit of TPD4207F for small compressor motor drive.
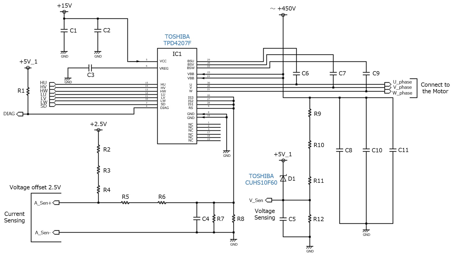
Application circuit diagram of application circuit of TPD4207F for small compressor motor drive.

Features

  • The combination of TPD4207F and TMPM4K0FSADUG achieves high efficiency compressor motor (BLDC) drive by vector control
  • Able to drive a compressor motor which requires high current at startup because of improved current rating (5A) due to low on resitance (0.44Ω(typ)) MOSFETs installed
  • Built-in a voltage regulator, a current limit and an undervoltage protection circuit help to simplify board design

Description

  • Description of control method of BLDC motor drive(sensorless drive and sine-wave control)
  • Application circuit example of compressor motor drive with the combination of TPD4207F and TMPM4K0FSADUG
  • Design guide of peripheral circuit such as protection circuit threshold setting

Download overview material for solution

Design Documents

Materials for designers, such as an overview of circuit operation and explanations of design considerations. Please click on each tab to view the contents.

Design Data

Provides circuit data that can be loaded into EDA tools, PCB layout data, and data used in PCB manufacturing. Available in formats from multiple tool vendors. You can freely edit it with your preferred tool.

Used Toshiba Items

Part Number Device Category Application Area – Qty Description
Intelligent power device 600V (High voltage PWM DC brushless motor driver) Motor drive・1 600 V/5.0 A 3-phase Brushless DC Motor Driver IC built-in Power Device, SSOP30
TXZ4 PWM control・1 80MHz Cortex-M4, 64KB Flash, 18KB RAM, LQFP32, 5V
Photocoupler (photo-IC output) Communication・2 Photocoupler (photo-IC output), High-speed, 10 Mbps, 3750 Vrms, 5pin SO6

Related Documents

We provide materials useful for designing and considering similar circuits, such as application notes for installed products. Please click on each tab to view the contents.

애플리케이션

Refrigerator
Such as low power consumption and miniaturization are important in designing refrigerator. Toshiba provides information on a wide range of semiconductor products suitable for power supply units, motor driving units, sensor signal input unit, AC load control unit, etc., along with circuit configuration examples.

문의

기술 문의

문의

문의

자주 있는 문의

자주 있는 문의

Do you want to add this page to your favorites?

Do you want to remove this page from your favorites?

Membership registration required
A new window will open