Application Circuit of TPD4207F for Small Compressor Motor Drive

This reference design provides an example circuit of small compressor motor drive with combination of TPD4207F and TMPM4K0FSADUG, and design guide of peripheral circuit.

Application block diagram of application circuit of TPD4207F for small compressor motor drive.
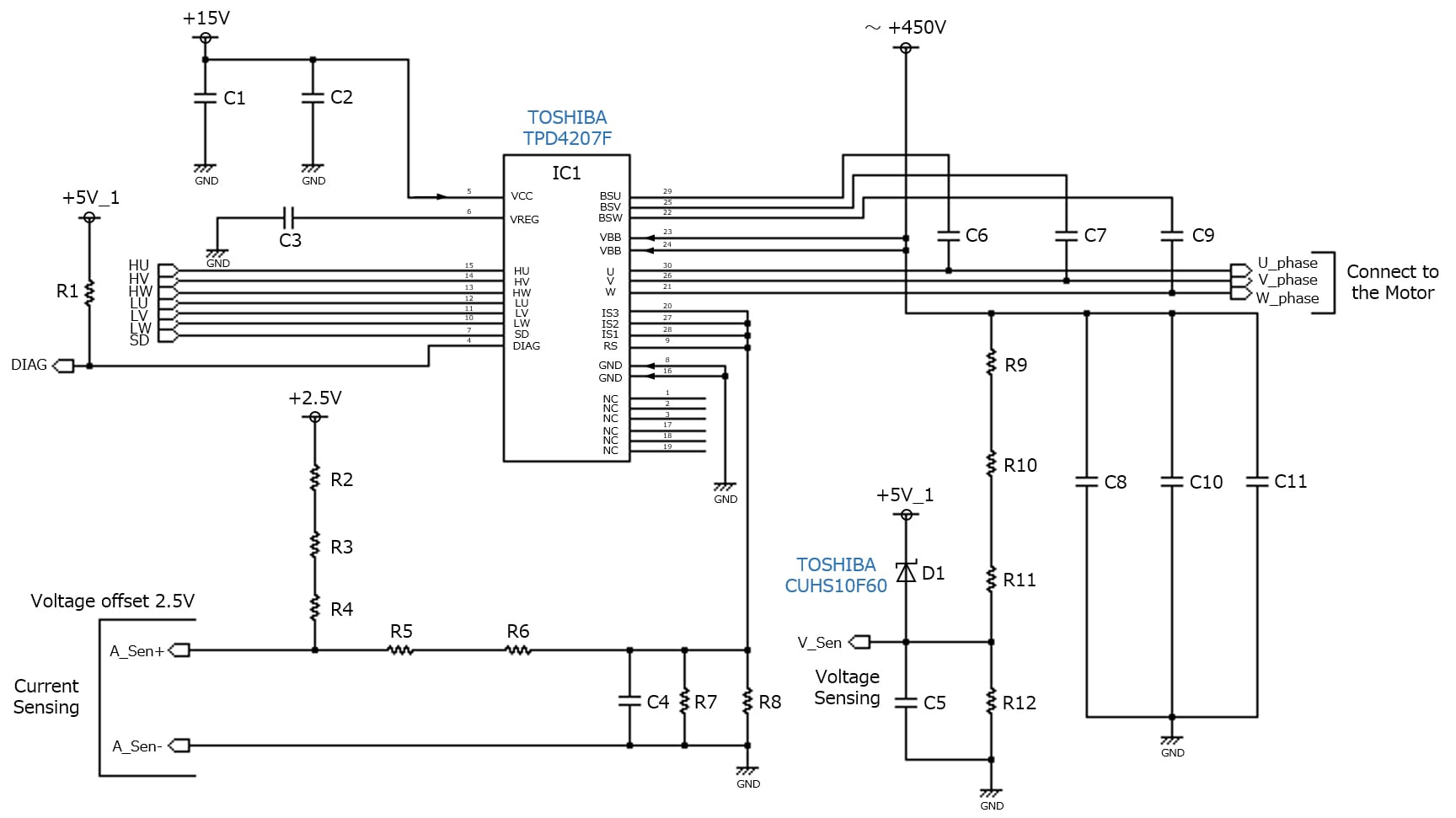
Application circuit diagram of application circuit of TPD4207F for small compressor motor drive.

特性

  • The combination of TPD4207F and TMPM4K0FSADUG achieves high efficiency compressor motor (BLDC) drive by vector control
  • Able to drive a compressor motor which requires high current at startup because of improved current rating (5A) due to low on resitance (0.44Ω(typ)) MOSFETs installed
  • Built-in a voltage regulator, a current limit and an undervoltage protection circuit help to simplify board design

說明

  • Description of control method of BLDC motor drive(sensorless drive and sine-wave control)
  • Application circuit example of compressor motor drive with the combination of TPD4207F and TMPM4K0FSADUG
  • Design guide of peripheral circuit such as protection circuit threshold setting

Download overview material for solution

設計文件

供設計人員使用的材料,例如電路操作概述和設計注意事項的解釋。請點擊每個選項以查看內容。

設計數據

提供可載入到EDA工具中的電路資料、PCB佈局資料以及PCB製造中使用的資料。來自多個工具供應商的可用格式。您可以使用喜歡的工具來自由的編輯它。

使用東芝項目/產品

器件型號 器件目錄 使用部位・數量 說明
Intelligent power device 600V (High voltage PWM DC brushless motor driver) Motor drive・1 600 V/5.0 A 3-phase Brushless DC Motor Driver IC built-in Power Device, SSOP30
TXZ4 PWM control・1 80MHz Cortex-M4, 64KB Flash, 18KB RAM, LQFP32, 5V
Photocoupler (photo-IC output) Communication・2 Photocoupler (photo-IC output), High-speed, 10 Mbps, 3750 Vrms, 5pin SO6

相關文件

我們提供有助於設計和考慮類似電路的材料,例如已安裝產品的應用說明。請點擊每個選項以查看內容。

應用

Refrigerator
Such as low power consumption and miniaturization are important in designing refrigerator. Toshiba provides information on a wide range of semiconductor products suitable for power supply units, motor driving units, sensor signal input unit, AC load control unit, etc., along with circuit configuration examples.

聯繫我們

技術方面問題

聯絡我們

聯絡我們

常見問題

常見問答

Do you want to add this page to your favorites?

Do you want to remove this page from your favorites?

Membership registration required
開啟新視窗