TPD4207F 小型コンプレッサーモーター駆動応用回路

600V/5A定格のインテリジェントパワーデバイスとベクトル制御が可能なマイコンを組み合わせた小型コンプレッサーモーター駆動応用回路例のリファレンスデザインです。保護機能の設定など周辺回路の設計ガイドを提供します。

これは、TPD4207F 小型コンプレッサーモーター駆動応用回路の応用ブロック図です。
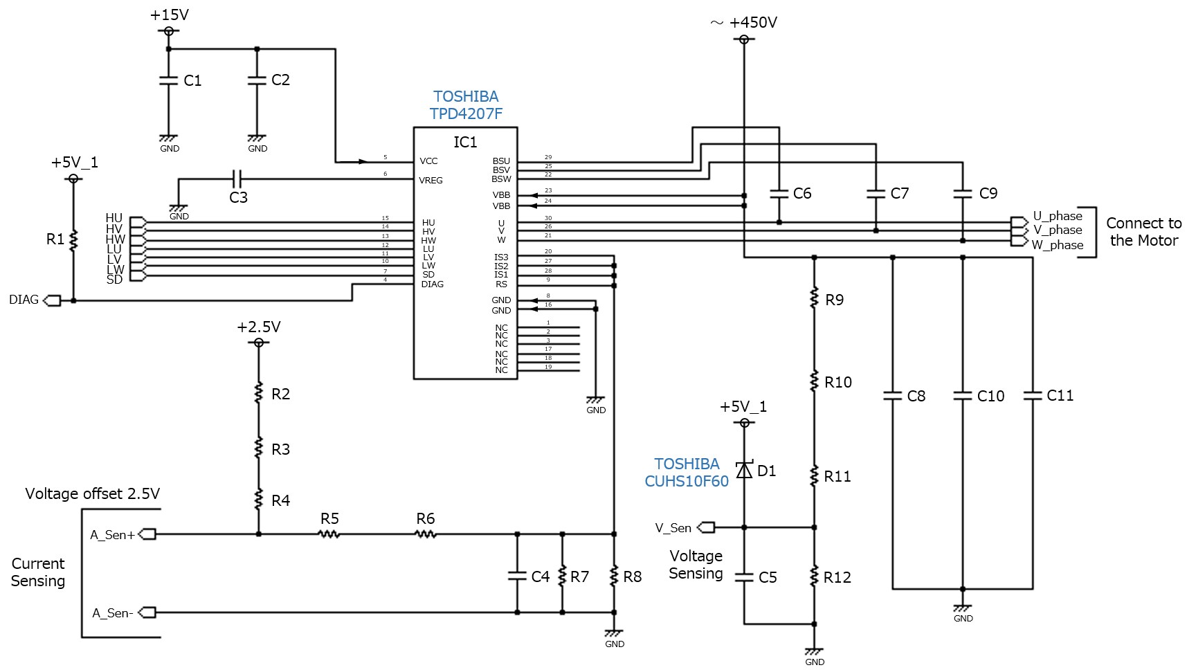
これは、TPD4207F 小型コンプレッサーモーター駆動応用回路の応用回路例(回路図)です。

特長

  • TPD4207FとTMPM4K0FSADUGを組み合わせることで、ベクトル制御によるコンプレッサモータ(BLDC)のセンサレス駆動を高効率に実現
  • 低オン抵抗(0.44Ω(typ))MOSFET搭載により電流定格アップ(5A)を実現し、起動時の電流が大きいコンプレッサモータへの応用を可能に
  • レギュレータ回路、電流制限回路、減電圧保護機能を内蔵し、周辺回路の設計省力化に貢献

概要

  • ブラシレスDCモータ駆動(センサレス駆動、正弦波駆動)の解説
  • TPD4207FとTMPM4K0FSADUGを使用したコンプレッサモータ駆動応用回路例
  • 保護機能の設定など周辺回路設計ガイド

このソリューションの概要説明資料をダウンロードする

デザインドキュメント

回路の動作概要、設計ポイントの解説など、設計者向けの資料を提供。各タブをクリックして、回路設計・検討にお役立てください。

デザインデータ

EDAツールに読み込んで使用する回路データ、PCBレイアウトデータ、PCB製造に使用するデータを提供。複数のツールベンダーの形式を用意しています。お使いのツールで自由に編集加工可能です。

使用東芝製品

品番 製品 搭載部位・数量 特徴
インテリジェントパワーデバイス 600V (高圧PWM DCブラシレス モータードライバー) モータ駆動・1 600 V/5.0 A 3-phase Brushless DC Motor Driver IC built-in Power Device, SSOP30
TXZ4 PWM control・1PWM制御・1 80MHz Cortex-M4, 64KB Flash, 18KB RAM, LQFP32, 5V
フォトカプラー(IC出力) 信号伝達・2 Photocoupler (photo-IC output), High-speed, 10 Mbps, 3750 Vrms, 5pin SO6

関連ドキュメント

搭載製品のアプリケーションノートなど、類似回路の設計・検討に役立つ資料を提供。各タブをクリックして活用ください。

アプリケーション

冷蔵庫
冷蔵庫の設計では、低消費電力化や小型化などが重要です。ここでは回路構成例などとともに、電源部、モーター駆動部、センサー信号入力部、AC負荷制御部などに適した幅広い半導体製品の情報を提供しています。

ご検討の方へ

技術的なお問い合わせ

お問い合わせ

お問い合わせ

よくあるお問い合わせ

FAQ

このページをお気に入りに追加しますか?

このページをお気に入りから削除しますか?

会員登録が必要です
別ウインドウにて開きます