Application Circuits of eFuse IC TCKE805 Series

Power line protection circuit with TCKE805 series. It achieves rapid shutdown at short circuit, other protection functions, and anti back current circuit with an external MOSFET.

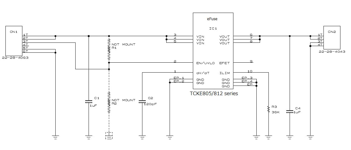
Circuit of application circuits of eFuse IC TCKE805 series.

Features

  • High input voltage: VIN (Max) = 18 V
  • High output current: IOUT(DC) = 5.0 A
  • Low ON resistance : RON = 28 mΩ(Typ)
  • Adjustable over current protection : 5.0 A(Max)
  • Fixed over voltage clamp
  • Programable slew rate control by external capacitance for Inrush current reduction
  • Programable under voltage lockout by external resistor
  • Reverse current blocking support by built in MOSFET Driver
  • Thermal shutdown
  • Auto-discharge
  • Small packgae : WSON10B (3.0 mm x 3.0 mm, t: 0.7 mm (Typ))

Description

  • Power line protection circuit with the eFuse IC, TCKE805
  • The only one IC achieves rapid shutdown at short circuit and other protection functions.
  • Reverse current blocking circuit with an external MOSFET is available.
Waveforms of application circuits of eFuse IC TCKE805 series.
Waveforms

Design Documents

Materials for designers, such as an overview of circuit operation and explanations of design considerations. Please click on each tab to view the contents.

Design Data

Provides circuit data that can be loaded into EDA tools, PCB layout data, and data used in PCB manufacturing. Available in formats from multiple tool vendors. You can freely edit it with your preferred tool.

*1:Actual PCB was designed on CR5000BD. The other files were made from CR5000BD file.

*2:The data was generated on CR5000BD.

Used Toshiba Items

Part Number Device Category Application Area – Qty Description
eFuse IC 4.4 to 18 V/5.0 A eFuse IC, 28 mΩ, WSON10B
Small Low ON resistance MOSFETs N-ch MOSFET, 30 V, 15 A, 0.0089 Ω@10V, SOT-1220(UDFN6B)

Related Documents

We provide materials useful for designing and considering similar circuits, such as application notes for installed products. Please click on each tab to view the contents.

Contacts

Technical inquiry

Contact us

Contact us

Frequently Asked Questions

FAQs

Do you want to add this page to your favorites?

Do you want to remove this page from your favorites?

Membership registration required
A new window will open