※ : Products list (parametric search)
※ : Products list (parametric search)
※ : Products list (parametric search)
※ : Products list (parametric search)
※ : Products list (parametric search)
※ : Products list (parametric search)
※ : Products list (parametric search)
※ : Products list (parametric search)
This webpage doesn't work with Internet Explorer. Please use the latest version of Google Chrome, Microsoft Edge, Mozilla Firefox or Safari.
require 3 characters or more. Search for multiple part numbers fromhere.
The information presented in this cross reference is based on TOSHIBA's selection criteria and should be treated as a suggestion only. Please carefully review the latest versions of all relevant information on the TOSHIBA products, including without limitation data sheets and validate all operating parameters of the TOSHIBA products to ensure that the suggested TOSHIBA products are truly compatible with your design and application.Please note that this cross reference is based on TOSHIBA's estimate of compatibility with other manufacturers' products, based on other manufacturers' published data, at the time the data was collected.TOSHIBA is not responsible for any incorrect or incomplete information. Information is subject to change at any time without notice.
require 3 characters or more.
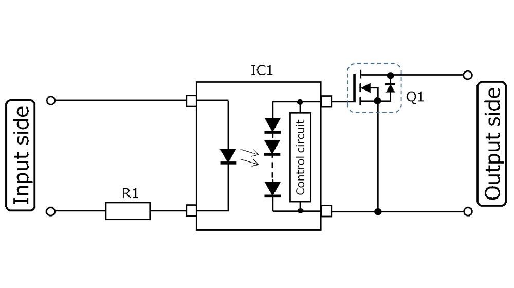
Photocoupler (photovoltaic output)
| Feature | Built-in control circuit |
|---|---|
| Application Scope | MOSFET gate drivers / Measurement instrumentation |
| Number of Circuits | 1 |
| RoHS Compatible Product(s) (#) | Available |
| Safety Standard |
Approved : UL 1577 / cUL (CSA Component Acceptance Service No. 5A) / EN 60747-5-5 (VDE) / EN IEC 62368-1 (VDE)
*Download Online Certification of Safety Standard(UL 1577) |
| Toshiba Package Name | 4pin SO6 |
|---|---|
| Package Image |
|
| Pins | 4 |
| Mounting | Surface Mount |
| Width×Length×Height (mm) |
3.7×7.0×2.1 |
| Package Dimensions | View |
| Land pattern dimensions | View |
| Ultra Librarian® CAD model (Symbol, Footprint and 3D model) |
![]() Download from UltraLibrarian® in your desired CAD format |
| SamacSys CAD model (Symbol, Footprint and 3D model) |
Download from SamacSys |
Please refer to the link destination to check the detailed size.
|
(Note1) |
Ultra Librarian® is a Registered trademark and CAD model library of EMA (EMA Design Automation, Inc.). CAD models (Symbol/Footprint /3D model) are provided by UltraLibrarian®. The footprints are generated based on the specifications of Ultra Librarian®. |
|
(Note2) |
SamacSys is a wholly owned subsidiary of Supplyframe, Inc. CAD models (Symbol/Footprint /3D model) are provided by Supplyframe, Inc. The footprints are generated based on the specifications of SamacSys. |
|
(Note3) |
Please note that the footprint dimensions may differ from the reference Land Pattern dimensions provided on our website. |
| Characteristics | Symbol | Rating | Unit |
|---|---|---|---|
| Operating Temperature | Topr | -40 to 125 | ℃ |
| Characteristics | Symbol | Condition | Value | Unit |
|---|---|---|---|---|
| Open Voltage (Min) | VOC | IF=10mA | 7 | V |
| Isolation voltage BVs @1minute (Min) |
BVS | t=60sec | 3750 | Vrms |
| Short Circuit Current (Min) | ISC | IF=10mA | 12 | μA |
Contact us
Contact usFrequently Asked Questions
FAQs