※ : Products list (parametric search)
※ : Products list (parametric search)
※ : Products list (parametric search)
※ : Products list (parametric search)
※ : Products list (parametric search)
※ : Products list (parametric search)
※ : Products list (parametric search)
※ : Products list (parametric search)
This webpage doesn't work with Internet Explorer. Please use the latest version of Google Chrome, Microsoft Edge, Mozilla Firefox or Safari.
require 3 characters or more. Search for multiple part numbers fromhere.
The information presented in this cross reference is based on TOSHIBA's selection criteria and should be treated as a suggestion only. Please carefully review the latest versions of all relevant information on the TOSHIBA products, including without limitation data sheets and validate all operating parameters of the TOSHIBA products to ensure that the suggested TOSHIBA products are truly compatible with your design and application.Please note that this cross reference is based on TOSHIBA's estimate of compatibility with other manufacturers' products, based on other manufacturers' published data, at the time the data was collected.TOSHIBA is not responsible for any incorrect or incomplete information. Information is subject to change at any time without notice.
require 3 characters or more.
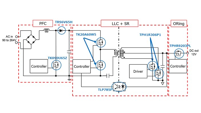
This reference design provides design guide, data and other contents of 500 W server power supply using continuous current mode PFC and LLC DC-DC converter. Using TOLL package MOSFET in the PFC circuit, decreases the overall size and increases the power density.
Click on components for more details
| Input voltage | AC 90 to 264 V |
|---|---|
| Output voltage | DC 12 V |
| Output power | 500 W |
| Circuit topology | Continuous Current Mode PFC, LLC (Half-Bridge) + Synchronous Rectification, Oring Circuit for Output |
Materials for designers, such as an overview of circuit operation and explanations of design considerations. Please click on each tab to view the contents.
Provides circuit data that can be loaded into EDA tools, PCB layout data, and data used in PCB manufacturing. Available in formats from multiple tool vendors. You can freely edit it with your preferred tool.
| Part Number | Device Category | Application Area – Qty | Description |
|---|---|---|---|
| Power MOSFET (N-ch 500V<VDSS≤700V) | PFC・1 | N-ch MOSFET, 650 V, 0.09 Ω@10V, TOLL, DTMOSⅥ | |
| Power MOSFET (N-ch 500V<VDSS≤700V) | Primary side・2 | N-ch MOSFET, 600 V, 0.175 Ω@10V, TO-220SIS, DTMOSⅣ | |
| Power MOSFET (N-ch single 30V<VDSS≤60V) | Secondary side・4 | N-ch MOSFET, 60 V, 0.00128 Ω@10V, SOP Advance, U-MOSⅨ-H | |
| Power MOSFET (N-ch single VDSS≤30V) | Oring・3 | N-ch MOSFET, 30 V, 0.00092 Ω@10V, SOP Advance, U-MOSⅨ-H | |
| Photocoupler (phototransistor output) | Output voltage feedback・1 | Photocoupler (phototransistor output), DC input, 5000 Vrms, 4pin SO6L |
We provide materials useful for designing and considering similar circuits, such as application notes for installed products. Please click on each tab to view the contents.