※ : Products list (parametric search)
※ : Products list (parametric search)
※ : Products list (parametric search)
※ : Products list (parametric search)
※ : Products list (parametric search)
※ : Products list (parametric search)
※ : Products list (parametric search)
※ : Products list (parametric search)
This webpage doesn't work with Internet Explorer. Please use the latest version of Google Chrome, Microsoft Edge, Mozilla Firefox or Safari.
require 3 characters or more. Search for multiple part numbers fromhere.
The information presented in this cross reference is based on TOSHIBA's selection criteria and should be treated as a suggestion only. Please carefully review the latest versions of all relevant information on the TOSHIBA products, including without limitation data sheets and validate all operating parameters of the TOSHIBA products to ensure that the suggested TOSHIBA products are truly compatible with your design and application.Please note that this cross reference is based on TOSHIBA's estimate of compatibility with other manufacturers' products, based on other manufacturers' published data, at the time the data was collected.TOSHIBA is not responsible for any incorrect or incomplete information. Information is subject to change at any time without notice.
require 3 characters or more.
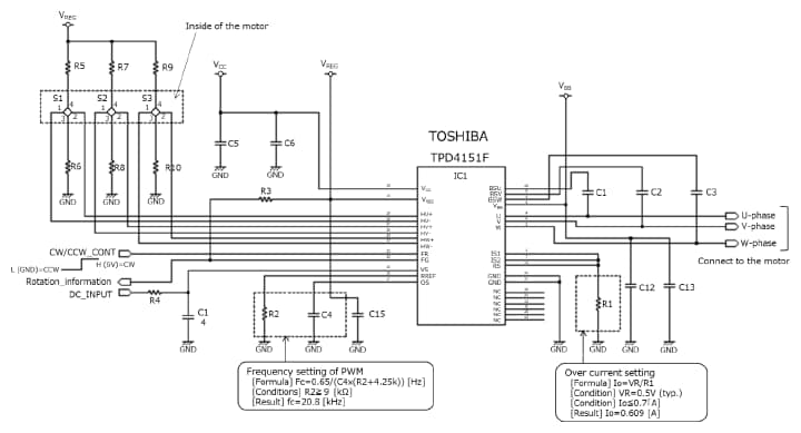
This reference design provides example circuit and design guide using Hall device/IC. The TPD4151F has 250V rating and built-in PWM to drive BLDC motor with square-wave control.
Materials for designers, such as an overview of circuit operation and explanations of design considerations. Please click on each tab to view the contents.
Provides circuit data that can be loaded into EDA tools, PCB layout data, and data used in PCB manufacturing. Available in formats from multiple tool vendors. You can freely edit it with your preferred tool.
We provide materials useful for designing and considering similar circuits, such as application notes for installed products. Please click on each tab to view the contents.