ブラシレスDCモータードライバー矩形波駆動方式TPD4151F応用回路

PWM回路を内蔵し直接DCブラシレスモーターを矩形波駆動可能な250V耐圧のインテリジェントパワーデバイスのリファレンスデザインです。応用回路例、ホール素子/ホールICを使用した場合の設計ガイドなどを提供します。

これは、ブラシレスDCモータードライバー矩形波駆動方式TPD4151F応用回路の応用ブロック図です。
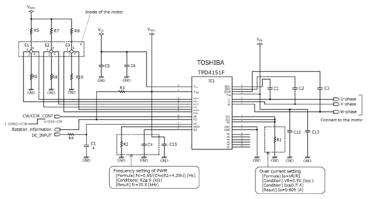
これは、ブラシレスDCモータードライバー矩形波駆動方式TPD4151F応用回路の応用回路例(回路図)です。

特長

  • PWM回路、三相分配回路、ハイサイド/ローサイドドライバ、出力IGBT・FRDを内蔵し、外付けPWMコントローラICなしで、直接ブラシレスDCモータを駆動可能
  • 最大定格250VのIGBT・FRDを搭載し、AC100V系入力アプリケーション向けに最適
  • 過熱保護回路、減電圧保護回路の各種保護回路を内蔵し、周辺回路設計の省力化に貢献

仕様

  • ブラシレスDCモータ駆動方式(矩形波駆動、正弦波駆動)の解説
  • TPD4151Fを使用したブラシレスDCモータ駆動応用回路例
  • ホール素子、ホールIC使用時の設計ガイド

このソリューションの概要説明資料をダウンロードする

デザインドキュメント

回路の動作概要、設計ポイントの解説など、設計者向けの資料を提供。各タブをクリックして、回路設計・検討にお役立てください。

デザインデータ

EDAツールに読み込んで使用する回路データ、PCBレイアウトデータ、PCB製造に使用するデータを提供。複数のツールベンダーの形式を用意しています。お使いのツールで自由に編集加工可能です。

関連ドキュメント

搭載製品のアプリケーションノートなど、類似回路の設計・検討に役立つ資料を提供。各タブをクリックして活用ください。

ご検討の方へ

技術的なお問い合わせ

お問い合わせ

お問い合わせ

よくあるお問い合わせ

FAQ

このページをお気に入りに追加しますか?

このページをお気に入りから削除しますか?

会員登録が必要です
別ウインドウにて開きます