TPD4162F Square-Wave Control Type BLDC Motor Drive Circuit

The square-wave control type brushless DC motor driver using TPD4162F in compact pakage. The design method of circuit and PCB such as calculation of constants, is described.

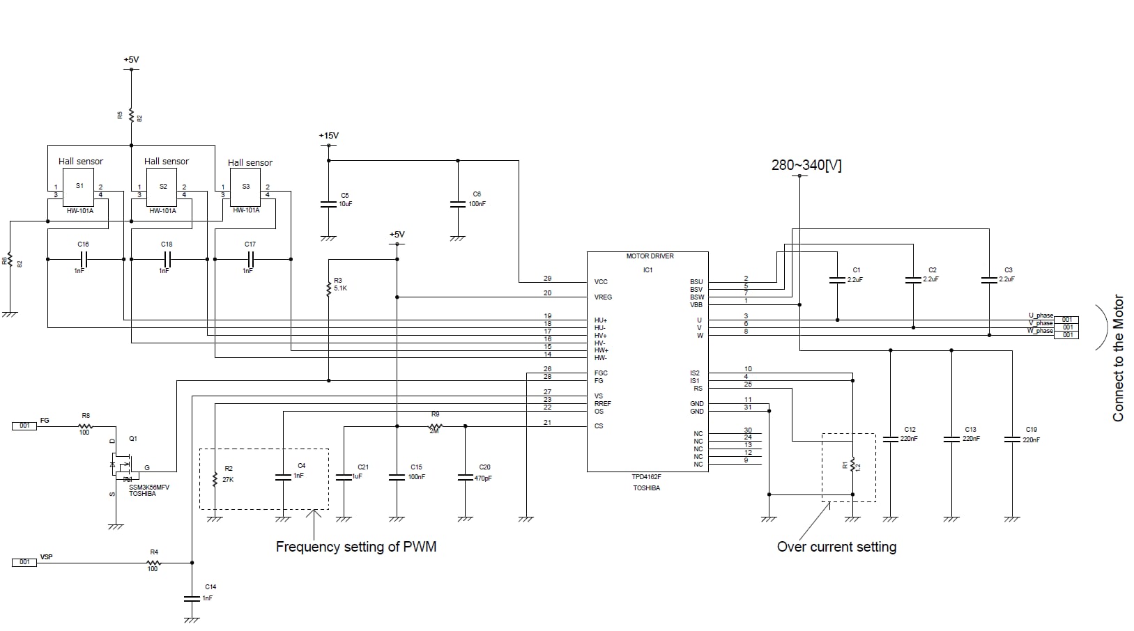
Circuit diagram

Features

  • High voltage power side and low voltage signal side terminal are separated.
  • Bootstrap circuits give simple high-side supply.
  • Bootstrap diodes are built-in.
  • PWM and 3-phase decode circuit are built-in.
  • Selectable pulse-per-revolution output of 3 pulses or 1 pulse
  • 3-phase bridge output using IGBTs
  • FRDs are built-in.
  • Included over-current and current limit and under-voltage protection, and thermal shutdown.
  • Compatible with Hall element input and Hall IC input.
  • Compact package: HSSOP31 (11.93 mm × 17.5 mm × 2.2 mm)

Description

  • The square-wave control type brushless DC motor drive circuit within high-voltage PWM controlled motor driver IC TPD4162F.
  • Power loss is reduced, and efficiencies is improved by new high breakdown-voltage SOI-process.
  • TPD4162F has a function that enables high-speed protection from over current, in addition to conventional current limiting function.
  • The compact package HSSOP31 contributes miniaturization of printed circuit board.
Wave form
Wave form

Design Documents

Materials for designers, such as an overview of circuit operation and explanations of design considerations. Please click on each tab to view the contents.

Design Data

Provides circuit data that can be loaded into EDA tools, PCB layout data, and data used in PCB manufacturing. Available in formats from multiple tool vendors. You can freely edit it with your preferred tool.

Used Toshiba Items

Part Number Device Category Application Area – Qty Description
Intelligent power device 600V (High voltage PWM DC brushless motor driver) 1 600 V/0.7 A 3-phase Brushless DC Motor Driver IC built-in Power Device, HSSOP31
Small Low ON resistance MOSFETs 1 N-ch MOSFET, 20 V, 0.8 A, 0.235 Ω@4.5V, SOT-723(VESM)

Contacts

Technical inquiry

Contact us

Contact us

Frequently Asked Questions

FAQs

Do you want to add this page to your favorites?

Do you want to remove this page from your favorites?

Membership registration required
A new window will open