※ : Products list (parametric search)
※ : Products list (parametric search)
※ : Products list (parametric search)
※ : Products list (parametric search)
※ : Products list (parametric search)
※ : Products list (parametric search)
※ : Products list (parametric search)
※ : Products list (parametric search)
This webpage doesn't work with Internet Explorer. Please use the latest version of Google Chrome, Microsoft Edge, Mozilla Firefox or Safari.
require 3 characters or more. Search for multiple part numbers fromhere.
The information presented in this cross reference is based on TOSHIBA's selection criteria and should be treated as a suggestion only. Please carefully review the latest versions of all relevant information on the TOSHIBA products, including without limitation data sheets and validate all operating parameters of the TOSHIBA products to ensure that the suggested TOSHIBA products are truly compatible with your design and application.Please note that this cross reference is based on TOSHIBA's estimate of compatibility with other manufacturers' products, based on other manufacturers' published data, at the time the data was collected.TOSHIBA is not responsible for any incorrect or incomplete information. Information is subject to change at any time without notice.
require 3 characters or more.
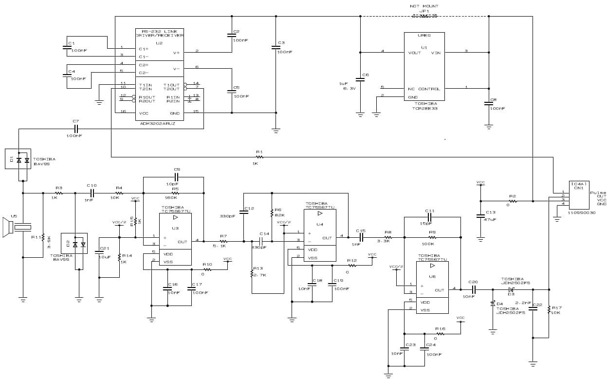
Ultrasonic distance sensor used low noise Op-amp TC75S67TU Introduction of US distance sensor application of TC75S67TU US distance sensor application method and notes of TC75S67TU
Materials for designers, such as an overview of circuit operation and explanations of design considerations. Please click on each tab to view the contents.
Provides circuit data that can be loaded into EDA tools, PCB layout data, and data used in PCB manufacturing. Available in formats from multiple tool vendors. You can freely edit it with your preferred tool.
| Part Number | Device Category | Application Area – Qty | Description |
|---|---|---|---|
| Op-amp (CMOS) | Amplifier section・3 | Single Op-amp (CMOS), 5.5 V, +/-2.75 V, SOT-353F(UFV) | |
| Low Dropout (LDO) Linear Voltage Regulator | Sensor drive section・1 | 200 mA Fixed Output LDO Regulator, 3.3 V, SOT-553(ESV) | |
| Switching diode | Sensor section・2 | 100 V/0.215 A Switching diode, SOT-23(SOT23) | |
| High frequency Schottky barrier diode | Detector section・2 | 10 V/10 mA Schottky Barrier Diode, SOD-923 |
We provide materials useful for designing and considering similar circuits, such as application notes for installed products. Please click on each tab to view the contents.