※ : Products list (parametric search)
※ : Products list (parametric search)
※ : Products list (parametric search)
※ : Products list (parametric search)
※ : Products list (parametric search)
※ : Products list (parametric search)
※ : Products list (parametric search)
※ : Products list (parametric search)
開發 / 設計支援
This webpage doesn't work with Internet Explorer. Please use the latest version of Google Chrome, Microsoft Edge, Mozilla Firefox or Safari.
型號需要超過三個文字以上 Search for multiple part numbers fromhere.
The information presented in this cross reference is based on TOSHIBA's selection criteria and should be treated as a suggestion only. Please carefully review the latest versions of all relevant information on the TOSHIBA products, including without limitation data sheets and validate all operating parameters of the TOSHIBA products to ensure that the suggested TOSHIBA products are truly compatible with your design and application.Please note that this cross reference is based on TOSHIBA's estimate of compatibility with other manufacturers' products, based on other manufacturers' published data, at the time the data was collected.TOSHIBA is not responsible for any incorrect or incomplete information. Information is subject to change at any time without notice.
型號需要超過三個文字以上
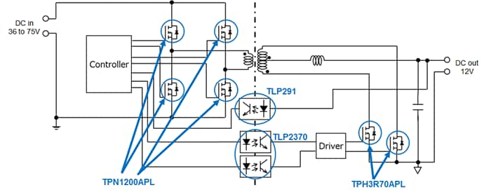
This reference design provides specification, block diagram and PCB layout data of 300W isolated DC-DC converter which is small size and suitable for consumer applications.
| Input voltage | DC 36 to 75V |
|---|---|
| Output voltage | DC 12V |
| Output power | 300W |
| Circuit topology | Phase Shift Full Bridge + Synchronous Rectification |
供設計人員使用的材料,例如電路操作概述和設計注意事項的解釋。請點擊每個選項以查看內容。
提供可載入到EDA工具中的電路資料、PCB佈局資料以及PCB製造中使用的資料。來自多個工具供應商的可用格式。您可以使用喜歡的工具來自由的編輯它。
| 器件型號 | 器件目錄 | 使用部位・數量 | 說明 |
|---|---|---|---|
| Power MOSFET (N-ch single 60V<VDSS≤150V) | Primary side・4 | N-ch MOSFET, 100 V, 0.0115 Ω@10V, TSON Advance, U-MOSⅨ-H | |
| Power MOSFET (N-ch single 60V<VDSS≤150V) | Secondary side synchronous rectification・4 | N-ch MOSFET, 100 V, 0.0037 Ω@10V, SOP Advance, U-MOSⅨ-H | |
| Photocoupler (photo-IC output) | Communication between primary side and secondary side・2 | Photocoupler (photo-IC output), High-speed, 20 Mbps, 3750 Vrms, 5pin SO6 | |
| Schottky barrier diode | Secondary side・1 | 30 V/1 A Schottky Barrier Diode, S-FLAT | |
| Small-signal Schottky barrier diode | Secondary side・7 | 40 V/0.5 A Schottky Barrier Diode, SOD-882(CST2) |
我們提供有助於設計和考慮類似電路的材料,例如已安裝產品的應用說明。請點擊每個選項以查看內容。