※ : 製品一覧(パラメトリックサーチ)
※ : 製品一覧(パラメトリックサーチ)
※ : 製品一覧(パラメトリックサーチ)
※ : 製品一覧(パラメトリックサーチ)
※ : 製品一覧(パラメトリックサーチ)
※ : 製品一覧(パラメトリックサーチ)
※ : 製品一覧(パラメトリックサーチ)
※ : 製品一覧(パラメトリックサーチ)
本機能は Internet Explorer 11 ではご利用頂けません。最新のGoogle Chrome, Microsoft Edge, Mozilla Firefox, Safariにてご利用ください。
品番は3文字以上指定して下さい。 複数品番の検索はこちら。
クロスリファレンスでは参考品名が表示されますので、製品に関する最新の情報をデータシート等でご確認の上、単独およびシステム全体で十分に評価し、お客様の責任において適用可否を判断してください。参考にしている情報は、取得した時点の各メーカーの公式情報に基づいた当社の推定によるものです。当社は、情報の正確性、完全性に関して一切の保証をいたしません。また、情報は予告なく変更されることがあります。
品番は3文字以上指定して下さい。
オンラインディストリビューターが保有する東芝製品の在庫照会および購入が行えるサービスです。
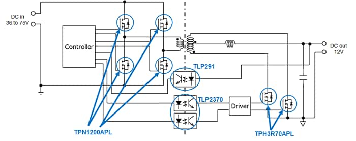
小型部品を採用し、さまざまなサイズ・用途に応用できるDC12V/300W出力の絶縁型DC-DCコンバーター電源のリファレンスデザインです。仕様、ブロック図、基板情報、使用方法などを提供します。
| 入力電圧 | DC 36~75V |
|---|---|
| 出力電圧 | DC 12V |
| 出力電力 | 300W |
| 回路構成 | フェーズシフトフルブリッジ+同期整流回路 |
回路の動作概要、設計ポイントの解説など、設計者向けの資料を提供。各タブをクリックして、回路設計・検討にお役立てください。
EDAツールに読み込んで使用する回路データ、PCBレイアウトデータ、PCB製造に使用するデータを提供。複数のツールベンダーの形式を用意しています。お使いのツールで自由に編集加工可能です。
| 品番 | 製品 | 搭載部位・数量 | 特徴 |
|---|---|---|---|
| パワーMOSFET (N-ch 1素子 60V<VDSS≤150V) | 一次側・4 | N-ch MOSFET, 100 V, 0.0115 Ω@10V, TSON Advance, U-MOSⅨ-H | |
| パワーMOSFET (N-ch 1素子 60V<VDSS≤150V) | 二次側同期整流・4 | N-ch MOSFET, 100 V, 0.0037 Ω@10V, SOP Advance, U-MOSⅨ-H | |
| フォトカプラー(IC出力) | 一次側、二次側間制御信号伝達・2 | Photocoupler (photo-IC output), High-speed, 20 Mbps, 3750 Vrms, 5pin SO6 | |
| ショットキーバリアダイオード | 二次側・1 | 30 V/1 A Schottky Barrier Diode, S-FLAT | |
| 小信号ショットキーバリアダイオード | 二次側・7 | 40 V/0.5 A Schottky Barrier Diode, SOD-882(CST2) |
搭載製品のアプリケーションノートなど、類似回路の設計・検討に役立つ資料を提供。各タブをクリックして活用ください。