※ : 製品一覧(パラメトリックサーチ)
※ : 製品一覧(パラメトリックサーチ)
※ : 製品一覧(パラメトリックサーチ)
※ : 製品一覧(パラメトリックサーチ)
※ : 製品一覧(パラメトリックサーチ)
※ : 製品一覧(パラメトリックサーチ)
※ : 製品一覧(パラメトリックサーチ)
※ : 製品一覧(パラメトリックサーチ)
本機能は Internet Explorer 11 ではご利用頂けません。最新のGoogle Chrome, Microsoft Edge, Mozilla Firefox, Safariにてご利用ください。
品番は3文字以上指定して下さい。 複数品番の検索はこちら。
クロスリファレンスでは参考品名が表示されますので、製品に関する最新の情報をデータシート等でご確認の上、単独およびシステム全体で十分に評価し、お客様の責任において適用可否を判断してください。参考にしている情報は、取得した時点の各メーカーの公式情報に基づいた当社の推定によるものです。当社は、情報の正確性、完全性に関して一切の保証をいたしません。また、情報は予告なく変更されることがあります。
品番は3文字以上指定して下さい。
オンラインディストリビューターが保有する東芝製品の在庫照会および購入が行えるサービスです。
当社は、車載用80V耐圧の最新[注1]世代プロセス「U-MOSX-Hシリーズ」としては初めてSOP Advance(WF) パッケージを採用したNチャネルMOSFETを製品化し車載機器の48Vシステムに適したラインアップを拡充しました。機器の省電力化に貢献する低オン抵抗の製品で、ドレイン・ソース間オン抵抗が2.55mΩ (max) の「XPH2R608QB」と、3.9mΩ (max) の「XPH3R908QB」です。
近年、車載機器では電力損失の低減と、低電流化によるワイヤーハーネスの細径化・軽量化を目的として、車載システムの48V化が進んでいます。48Vの車載システムで使用されるMOSFETには、80V以上の耐圧と、低オン抵抗が求められています。その要求に応えるため、80V耐圧で低オン抵抗の製品を開発しました。
また、新製品は車載信頼性規格AEC-Q101に適合しており、ウェッタブルフランク[注2]構造のSOP Advance(WF) パッケージを採用した表面実装タイプです。はんだフィレット[注3]の視認性が高く自動外観検査 (AVI[注4]) 装置による基板実装状態の確認が容易で、製造ラインでの検査自動化に貢献します。さらに、Cuコネクター構造を採用しパッケージ抵抗を低減しました。
当社は今後も、お客様の幅広いニーズに応えるため、48Vシステムに適した車載用MOSFET製品を開発し、さまざまな車載機器アプリケーションに対応していきます。
[注1] 2026年4月時点
[注2] パッケージのリード側面の形状
[注3] はんだフィレットとは、プリント基板に実装された部品の、はんだが盛られた部分を指します。
[注4] AVI : Automatic Visual Inspection
新製品XPH2R608QBとXPH3R908QBは、車載用80V耐圧の製品としては初めてSOP Advance(WF) パッケージを採用しました。
最新世代のU-MOSX-Hプロセスの導入と、Cuコネクター構造を採用しパッケージ抵抗を低減したSOP Advance(WF) パッケージにより、低オン抵抗 (RDS(ON)) を実現しました。
車載用80V耐圧のU-MOSX-Hシリーズは、高放熱のL-TOGL™パッケージを採用したXPQR8308QBもラインアップしています。
XPH2R608QB : RDS(ON)=2.55mΩ (max) (VGS=10V)
XPH3R908QB : RDS(ON)=3.9mΩ (max) (VGS=10V)
SOP Advance(WF) パッケージは端子先端カット部にウェッタブルフランク構造を採用しております。本構造 (ウェッタブルフランク) によりはんだ付け状態の視認性およびはんだ濡れ性が向上します。これにより、自動外観検査 (AVI) 装置による部品実装状態の確認が容易になり、信頼性向上にも貢献します。
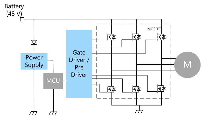
・48Vシステムの車載機器
モータードライブ、スイッチング電源、ロードスイッチなど
(特に指定のない限り、Ta=25°C)
| 品番 | XPH2R608QB | XPH3R908QB | |||
|---|---|---|---|---|---|
| 極性 | Nチャネル | ||||
| 絶対最大定格 | ドレイン・ソース間電圧 VDSS (V) | 80 | |||
| ドレイン電流 (DC) ID (A) | 120 | 80 | |||
| ドレイン電流 (パルス) IDP (A) | 360 | 240 | |||
| チャネル温度 Tch (°C) | 175 | ||||
| 電気的特性 | ドレイン・ソース間オン抵抗 RDS(ON)(mΩ) | VGS=6V | Max | 3.5 | 5.7 |
| VGS=10V | Max | 2.55 | 3.9 | ||
| ゲートしきい値電圧 Vth(V) | VDS=10V | 2.5~3.5 | |||
| 動的特性 | 入力容量 Ciss(pF) | VDS=10V、 VGS=0V、 f=1MHz | Typ. | 6200 | 3950 |
| ゲート入力電荷量 Qg (nC) | VDD≃64V、 VGS=10V | Typ. | 95 | 63 | |
| 熱抵抗特性 | チャネル・ケース間過渡熱インピーダンス Zth(ch-c) (°C/W) |
Tc=25°C | Max | 0.88 | 1.13 |
| パッケージ | SOP Advance(WF) | ||||
| シリーズ | U-MOSX-H | ||||
| 在庫検索&Web少量購入 | ![]() |
![]() |
|||
当社の車載MOSFET製品については下記ページをご覧ください。
車載MOSFET
オンラインディストリビューター在庫検索&Web少量購入
オンラインディストリビューターが保有する東芝製品の在庫照会および購入が行えるサービスです。
品番は3文字以上指定して下さい。
* L-TOGL™は東芝デバイス&ストレージ株式会社の商標です。
* その他の社名・商品名・サービス名などは、それぞれ各社が商標として使用している場合があります。
* 本資料に掲載されている情報 (製品の価格/仕様、サービスの内容及びお問い合わせ先など) は、発表日現在の情報です。予告なしに変更されることがありますので、あらかじめご了承ください。
