MOSFET

MOSFETはMetal Oxide Semiconductor Field Effect Transistor の略でMOS型の電界効果トランジスターのことです。Si(シリコン)を材料として使用した製品が主流ですが、パワーMOSFET分野では電源やインバーターなどの高性能化、高効率化に最適なSiC(シリコンカーバイド)も使用されています。
東芝はMOSFETの開発と生産を長年にわたって手がけており、低耐圧製品から中高耐圧製品まで、低損失、高速、低オン抵抗、小型パッケージなどの特長を有した豊富な製品をラインアップすることで、様々な用途に最適なMOSFETをご提供しています。

ラインアップ

12V - 300V MOSFET
トレンチ構造を採用し、優れた微細化技術を用いてセルの高集積化を進めることで、ドレイン・ソース間オン抵抗 RDS(ON)を改善しています。
400V - 900V MOSFET
高出力電源向けに適したスーパージャンクション(SJ)構造のMOSFETシリーズと低出力電源向けに適したD-MOS(二重拡散構造)のMOSFETシリーズがあります。
車載MOSFET
12Vバッテリーシステム・モーターコントロール用をはじめ、多様な車載用途に向け、豊富なラインアップで提供します。
MOSFETゲートドライバーIC
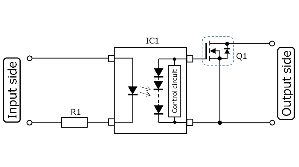
当社MOSFETゲートドライバーICは昇圧回路や保護回路を内蔵した超小型のNch MOSFETドライバーです。MOSFETと組み合わせてご使用頂くことで小型かつ低損失の電源ラインを構成できます。
SiC MOSFET
高速スイッチング低オン抵抗特性を有しており、高出力・高効率産業電源、太陽光インバーター、UPSの低損失化に最適な新材料SiC(シリコンカーバイド)を使用したMOSFETです。
SiC MOSFETモジュール
当社のSiC MOSFETモジュールは、高速スイッチング性を有しており、電鉄用インバーター、コンバーター、太陽光インバーター等の産業向け電力変換装置の低損失化、小型化に最適な新材料、SiC(シリコンカーバイド) を使用しています。

仕様から該当製品の絞り込み検索ができます。

極性
VDSS(V)
-
パッケージ名 (Toshiba)
RDS(ON)Max(Ω)|VGS|=10V
-
RDS(ON)Max(Ω)|VGS|=4.5V
-
RDS(ON)Max(Ω)|VGS|=2.5V
-
AEC-Q101
(※) 詳細は営業担当へ お問い合わせ下さい。
Results:

実装区分やピン数から該当製品の絞り込み検索ができます。

表示:

パッケージサイズの保証値はデータシートに記載されているmm単位であり、inch単位のサイズは参考値です。 1mm=0.0393701inchで換算した有効数字2桁の値です。

クロスリファレンス検索で表示される情報について

クロスリファレンスでは参考品名が表示されますので、製品に関する最新の情報をデータシート等でご確認の上、単独およびシステム全体で十分に評価し、お客様の責任において適用可否を判断してください。参考にしている情報は、取得した時点の各メーカーの公式情報に基づいた当社の推定によるものです。当社は、情報の正確性、完全性に関して一切の保証をいたしません。また、情報は予告なく変更されることがあります。

ドキュメント

技術トピックス

モーターアプリケーションのご提案
高いパワーエレクトロニクス技術を活かしたシステム提案
アプリケーション

リファレンスデザイン

これは、MOSFET並列駆動(TPH1R306PL)応用回路の素子とパターン配線インダクタンスの関係です。
MOSFET並列駆動(TPH1R306PL)応用回路
60V系MOSFETを例にとり、電源等の応用における出力電力増大に向けた並列動作時の留意点をシミュレーション回路と動作波形を基に解説します。
SiC MOSFET応用3相インバーター
1200 V系SiC MOSFETを搭載しAC 440 Vモーターを駆動する3相インバーター。各種回路の設計ポイントの解説、設計データ、使用方法などを提供。
これは、MOSFET並列駆動(TK62N60X)応用回路の素子とパターン配線インダクタンスの関係です。
MOSFET並列駆動(TK62N60X)応用回路
600V系MOSFETを例にとり、電源等の応用における出力電力増大に向けた並列動作時の留意点をシミュレーション回路と動作波形を基に解説します。
これは、MOSFET四端子パッケージTO-247-4L(TK25Z60X)応用回路の素子とパターン配線インダクタンスの関係です。
MOSFET四端子パッケージTO-247-4L(TK25Z60X)応用回路
パッケージ内部インダクタンスの影響を低減させる四端子構造を特徴とするTO-247-4Lパッケージを例とし、高速スイッチング化を図る際の留意点をシミュレーション回路と動作波形を基に解説します。
これは、MOSFET四端子パッケージDFN8x8(TK25V60X)応用回路の素子とパターン配線インダクタンスの関係です。
MOSFET四端子パッケージDFN8x8(TK25V60X)応用回路
パッケージ内部インダクタンスの影響を低減させる四端子構造を特徴とするDFN8x8パッケージを例とし、高速スイッチング化を図る際の留意点をシミュレーション回路と動作波形を基に解説します。
これは、1.6kW通信機器用48V出力電源の外観写真です。
1.6kW通信機器用48V出力電源
部分ブリッジレスPFC、位相シフト方式DC-DCコンバーターを採用した1Uサイズ・48V出力の通信機器向け1.6kW高効率電源のリファレンスデザインです。各種回路の設計ポイントの解説、設計データ、使用方法などを提供します。
サーバー用1.6kW LLC方式AC-DCコンバーター
データセンターの消費電力抑制を目的にサーバーのバス電圧48V化が進んでいます。本デザインは48Vサーバー向けのAC-DCコンバーターです。当社最新世代のパワーMOSFET、SiCダイオードを搭載し、AC 100V系/200V系入力からDC 54.5Vを高効率に出力します。回路各部の設計ポイント・使用方法・各部調整方法の解説や、回路図や基板パターンの設計情報を提供しており、皆様の設計にお役立ていただけます。
車載用3kW 48V-12V双方向DC-DCコンバーター
温室効果ガス削減を目的に、近年xEVと呼ばれるハイブリッド車やバッテリー式電気自動車の普及が進んでいます。xEVは従来の12Vバッテリーに加え、電力損失低減のために48Vバッテリーを搭載することがあります。本デザインは、このように48Vバッテリーと12Vバッテリーが共存している応用で不可欠な、双方向DC-DCコンバーターです。低オン抵抗・高放熱の当社車載パワーMOSFETを搭載し、高効率動作を実現しました。回路各部の設計ポイント・使用方法の解説や、回路図や基板パターンの設計情報を提供しており、皆様の設計にお役立ていただけます。
基板外観
コードレス電動工具向けインバーター回路
6個のMOSFET (TPH1R204PB、TPH2R408QM) とゲートドライバー (TB67Z833SFTG) を組み合わせた三相ブラシレスDCモーター駆動回路により、コンパクトながら高効率なモーター制御が可能。さまざまな入力モードに対応。各種回路の設計ポイントの解説、設計データ、使用方法などを提供。
車載用ブラシ付きDCモーター制御回路 (TB9103FTG使用)
車載用ブラシ付きDCモーター制御回路 (TB9103FTG使用) によりHalf-bridgeモードで2台のモーター、またはH-Bridgeモードで1台のモーターの制御が可能。モーター制御は基板のスイッチまたは外付けMCUで可能。各種回路の設計ポイントの解説、設計データ、使用方法などを提供。
これは、SiC MOSFETモジュール用ゲートドライバー の画像です。
SiC MOSFETモジュール用ゲートドライバー
近年、産業用モータードライブや鉄道用インバーターなどの電力変換装置では小型化、損失低減を目的に、従来のSi系パワーデバイスに代わりSiC MOSFETを搭載したSiC MOSFETモジュールの採用が進んでいます。各種保護機能を搭載し、このSiC MOSFETモジュールを安全に駆動するゲートドライバー回路です。本デザインは、外付けバッファー用MOSFETによる大電流ゲート駆動が可能で各種保護機能が内蔵されたプリドライバーカプラーTLP5231を使用することで、大電流/高電圧SiC MOSFETモジュールを絶縁ゲート駆動します。ハイサイドとローサイドの2チャンネル構成を62mm × 100mmの基板サイズで実現し、当社Dual MOSFETモジュールにビルトイン可能です。回路各部の設計ポイント・使用方法・各部調整方法の解説や、回路図や基板パターンの設計情報を提供しており、皆様の設計にお役立ていただけます。
基板写真(例)
48 Vバス対応 1.2 V/100 A 2段降圧DC-DCコンバーター
近年、データセンターの電力消費が急増しており、サーバーの省電力化が急務となっています。この課題を解決するための48V直流給電に対応した1.2V/100A出力のDC-DCコンバーターです。本デザインは、48Vバスラインから基板上の各種デバイスに1.2V/100Aを供給可能な2段降圧DC-DCコンバーターです。各段に、オン抵抗と電荷量特性のバランスに優れた当社パワーMOSFETを使用し、高効率を実現しています。回路各部の設計ポイント・使用方法の解説や、回路図や基板パターンの設計情報を提供しており、皆様の設計にお役立ていただけます。
基板写真(例)
1.6 kW サーバー用電源 (アップグレード版)
東芝最新のパワーデバイスとデジタルアイソレータ—を搭載し、同一トポロジーの既存リファレンスデザインに対し全負荷領域で効率向上を実現した1Uサイズの12 V 出力1.6 kW サーバー用電源。回路各部の設計ポイントの解説、設計データ、使用方法などを提供。
これは、パワーマルチプレクサー回路の基板写真(例)です。
パワーマルチプレクサー回路 (コモンドレインMOSFET応用)
2入力1出力のパワーマルチプレクサー回路を小型基板に実現。開発済みのパワーマルチプレクサー回路リファレンスデザインに、コモンドレインMOSFET応用回路を追加いたしました。当社の多彩な製品ラインアップから、MOSFETゲートドライバーIC・ツェナーダイオードなど最適なデバイスを組み合わせ、BBMとMBBの切り替えを実現したリファレンス回路を提供致します。
USB PD用車載昇降圧DC-DCコンバーター
USB PD用車載昇降圧DC-DCコンバーターの各種回路の設計ポイントの解説、設計データ、使用方法などを提供。
基板写真(例)
通信機器用非絶縁昇降圧1 kW DC-DCコンバーター
通信機器用非絶縁昇降圧1 kW DC-DCコンバーター。各種回路の設計ポイントの解説、設計データ、使用方法などを提供。
基板写真(例)
MOSFET応用3相マルチレベルインバーター
5レベル出力可能な3相マルチレベルインバーター。150 V MOSFETを使用しAC 200 Vモーターを駆動。各種回路の設計ポイントの解説、設計データ、使用方法などを提供。
これは、1.6 kW T型3レベル方式PFC電源の画像です。
1.6 kW T型3レベル方式PFC電源
T型3レベル方式力率補正(PFC)回路による1.6 kW AC-DCコンバーター電源。各種回路の設計ポイントの解説、設計データ、使用方法などを提供。
これは、パワーマルチプレクサー回路の基板写真(例)です。
パワーマルチプレクサー回路
2入力1出力のパワーマルチプレクサー回路を小型基板に実現。当社の多彩なラインアップから、MOSFETゲートドライバーIC・eFuseIC・ツェナーダイオード・MOSFETなど最適なデバイスを選択し、BBMとMBBの切り替え・理想ダイオード特性を実現したリファレンス回路を提供致します。
これは、100 W LLC方式DC-DCコンバーターの基板写真です。
100 W LLC方式DC-DCコンバーター
LLC共振によるZero Volt Switchingを実現した100 W LLC方式DC-DCコンバーターのリファレンスデザインです。各種回路の設計ポイントの解説、設計データ、使用方法などを提供します。
これは、200 W アクティブクランプフォワード方式DC-DCコンバーターの製品写真です。
200 W アクティブクランプフォワード方式DC-DCコンバーター
クランプ用スイッチにNch MOSFETを採用したアクティブクランプフォワード方式の200 W絶縁型DC-DCコンバーターのリファレンスデザインです。各種回路の設計ポイントの解説、設計データ、使用方法などを提供します。
これは、非絶縁型降圧DC-DCコンバーターの製品写真です。
非絶縁型降圧DC-DCコンバーター
多彩なDC電源出力、負荷、基板実装面積などのバリエーションに対応した非絶縁降圧DC-DC電源のリファレンスデザインです。各種回路の設計ポイントの解説、設計データ、使用方法などを提供します。
これは、マトリックスLEDヘッドライトの製品写真です。
マトリックスLEDヘッドライト
マトリックスLEDヘッドライトは状況に応じて複数のLEDを独立して点灯制御します。各種回路の設計ポイントの解説、設計データ、使用方法などを提供します。
これは、TOLLパッケージDTMOS搭載500 Wサーバー用電源の外観写真です。
TOLLパッケージDTMOS搭載500 Wサーバー用電源
電流連続モードPFC、LLC方式DC-DCコンバーターを採用したサーバー向け500 W高効率電源のリファレンスデザインです。PFC部にTOLLパッケージMOSFETを採用することで、小型化を実現。各種回路の設計ポイントの解説、設計データ、使用方法などを提供します。
これは、LED照明用100 W電源の製品写真です。
LED照明用100 W電源
PFCおよび広範囲の入力電圧(AC90V~264V)を備えたLED照明用の定電流100W電源のリファレンスデザインです。各種回路の設計ポイントの解説、設計データ、使用方法などを提供します。
これは、1 kWフルブリッジ方式DC-DCコンバーターの外観写真です。
1 kWフルブリッジ方式DC-DCコンバーター
位相シフト方式フルブリッジ方式DC-DCコンバーターを採用した1 kW高効率電源のリファレンスデザインです。各種回路の設計ポイントの解説、設計データ、使用方法などを提供します。
これは、アクティブクランプフォワード方式DC-DC電源基本シミュレーション回路の回路図です。
アクティブクランプフォワード方式DC-DC電源基本シミュレーション回路
OrCAD®を使用しアクティブクランプフォワード方式DC-DC電源を検討する際の基本シミュレーション回路例のリファレンスデザインです。動作概要、部品選定ガイド、シミュレーション波形例、シミュレーション回路使用法などを提供します。
これは、アクティブクランプフォワード方式AC-DC電源基本シミュレーション回路の回路図です。
アクティブクランプフォワード方式AC-DC電源基本シミュレーション回路
OrCAD®を使用しアクティブクランプフォワード方式AC-DC電源を検討する際の基本シミュレーション回路例のリファレンスデザインです。動作概要、部品選定ガイド、シミュレーション波形例、シミュレーション回路使用法などを提供します。
これは、フルブリッジ方式DC-DC電源基本シミュレーション回路の回路図です。
フルブリッジ方式DC-DC電源基本シミュレーション回路
OrCAD®を使用しフルブリッジ方式DC-DC電源を検討する際の基本シミュレーション回路例のリファレンスデザインです。動作概要、部品選定ガイド、シミュレーション波形例、シミュレーション回路使用法などを提供します。
これは、フルブリッジ方式AC-DC電源基本シミュレーション回路の回路図です。
フルブリッジ方式AC-DC電源基本シミュレーション回路
OrCAD®を使用しフルブリッジ方式AC-DC電源を検討する際の基本シミュレーション回路例のリファレンスデザインです。動作概要、部品選定ガイド、シミュレーション波形例、シミュレーション回路使用法などを提供します。
これは、非絶縁型同期整流方式降圧DC-DC電源基本シミュレーション回路の回路図です。
非絶縁型同期整流方式降圧DC-DC電源基本シミュレーション回路
OrCAD®を使用し非絶縁型同期整流方式降圧DC-DC電源回路を検討する際の基本シミュレーション回路例のリファレンスデザインです。動作概要、部品選定ガイド、シミュレーション波形例、シミュレーション回路使用法などを提供します。
これは、ハーフブリッジ (HB) 方式AC-DC電源基本シミュレーション回路の回路図です。
ハーフブリッジ (HB) 方式AC-DC電源基本シミュレーション回路
OrCAD®を使用しハーフブリッジ(HB)方式AC-DC電源を検討する際の基本シミュレーション回路例のリファレンスデザインです。動作概要、部品選定ガイド、シミュレーション波形例、シミュレーション回路使用法などを提供します。
これは、ハーフブリッジ (HB) 方式DC-DC電源基本シミュレーション回路の回路図です。
ハーフブリッジ (HB) 方式DC-DC電源基本シミュレーション回路
OrCAD®を使用しハーフブリッジ(HB)方式DC-DC電源を検討する際の基本シミュレーション回路例のリファレンスデザインです。動作概要、部品選定ガイド、シミュレーション波形例、シミュレーション回路使用法などを提供します。
これは、フォトボルカプラー+MOSFETによるメカリレー置換のHVAC 応用回路例です。
フォトボルカプラー+MOSFETによるメカリレー置換
フォトボルカプラーTLP3906とパワーMOSFET TPH1R306PLを組み合わせた半導体リレー回路のリファレンスデザインです。メカリレーからの置き換えとして回路設計する際のガイドを記載します。
これは、48Vバス電圧対応1.2V/100A出力DC-DCコンバーターの特長です。
48Vバス電圧対応1.2V/100A出力DC-DCコンバーター
48Vバス電圧からダイレクトに1.2Vまで降圧し、100A出力可能な絶縁型DC-DCコンバーターのリファレンスデザインです。ブロック図、基板情報、使用方法などを提供します。
これは、位相シフトフルブリッジ(PSFB)方式AC-DC電源基本シミュレーション回路の回路図です。
位相シフトフルブリッジ(PSFB)方式AC-DC電源基本シミュレーション回路
OrCAD®を使用し位相シフト(PSFB)方式AC-DC電源を検討する際の基本シミュレーション回路例のリファレンスデザインです。動作概要、部品選定ガイド、シミュレーション波形例、シミュレーション回路使用法などを提供します。
これは、Flyback方式DC-DC電源基本シミュレーション回路の回路図です。
Flyback方式DC-DC電源基本シミュレーション回路
OrCAD®を使用しFlyback方式DC-DC電源を検討する際の基本シミュレーション回路例のリファレンスデザインです。動作概要、部品選定ガイド、シミュレーション波形例、シミュレーション回路使用法などを提供します。
これは、Flyback方式AC-DC電源基本シミュレーション回路の回路図です。
Flyback方式AC-DC電源基本シミュレーション回路
OrCAD®を使用しFlyback方式AC-DC電源を検討する際の基本シミュレーション回路例のリファレンスデザインです。動作概要、部品選定ガイド、シミュレーション波形例、シミュレーション回路使用法などを提供します。
これは、300W 絶縁型DC-DCコンバータの特長です。
300W 絶縁型DC-DCコンバーター
小型部品を採用し、さまざまなサイズ・用途に応用できるDC12V/300W出力の絶縁型DC-DCコンバーター電源のリファレンスデザインです。仕様、ブロック図、基板情報、使用方法などを提供します。
これは、単相PFC電源基本シミュレーション回路の回路図です。
単相PFC電源基本シミュレーション回路
OrCAD®を使用し単相PFC電源を検討する際の基本シミュレーション回路例のリファレンスデザインです。動作概要、部品選定ガイド、シミュレーション波形例、シミュレーション回路使用法などを提供します。
これは、インターリーブ方式PFC電源基本シミュレーション回路の回路図です。
インターリーブ方式PFC電源基本シミュレーション回路
OrCAD®を使用しインターリーブ方式PFC電源を検討する際の基本シミュレーション回路例のリファレンスデザインです。動作概要、部品選定ガイド、シミュレーション波形例、シミュレーション回路使用法などを提供します。
これは、ブリッジレス方式PFC電源基本シミュレーション回路の回路図です。
ブリッジレス方式PFC電源基本シミュレーション回路
OrCAD®を使用しブリッジレス方式PFC電源を検討する際の基本シミュレーション回路例のリファレンスデザインです。動作概要、部品選定ガイド、シミュレーション波形例、シミュレーション回路使用法などを提供します。
これは、200W AC-DC電源のブロック図です。
200W AC-DC電源
家電製品や各種組み込み電源応用を想定したDC24V/200W出力のユニバーサル入力AC-DC電源のリファレンスデザインです。仕様、ブロック図、基板パターンなどを提供します。
これは、MOSFETドライバーIC TCK401G応用と回路の充電回路例です。
MOSFETドライバーIC TCK401G応用と回路
ロードスイッチ回路例ならびにUSB-PD応用に適したスルーレート制御やオートディスチャージ等の内蔵機能の実波形を基にした解説などを提供します。
これは、MOSFETドライバーIC TCK402G応用と回路の充電回路例です。
MOSFETドライバーIC TCK402G応用と回路
ロードスイッチ回路例ならびにUSB-PD応用に適したスルーレート制御やオートディスチャージ等の内蔵機能の実波形を基にした解説などを提供します。
これは、1出力ハイサイドNチャネルパワーMOSFETゲートドライバー TPD7104AF応用と回路の負荷ショート(過電流)検出機能対応ブロック図です。
1出力ハイサイドNチャネルパワーMOSFETゲートドライバー TPD7104AF応用と回路
MOSFETとの組み合わせで大電流ロードスイッチ回路を構成できるゲートドライバーのリファレンスデザインです。応用回路例、負荷ショート検出・電源逆接続保護などの機能説明、回路設計ガイド、シミュレーション例などを提供します。
これは、1.6kW, 80Plus Platinum級,高効率 AC-DC サーバ用電源の特長です。
1.6kW, 80Plus Platinum級,高効率 AC-DC サーバー用電源
セミブリッジレスPFC・絶縁型フェイズシフトフルブリッジを用いた1Uサイズの80Plus Platinum級1.6kW電源に関する各種回路の設計ポイントの解説、設計データ、使用方法などを提供します。

シミュレーション

ご検討の方へ

技術的なお問い合わせ

お問い合わせ

お問い合わせ

よくあるお問い合わせ

FAQ